FMS60-1221-21F32-2500致伸缩液位计
![FMS60-1221-21F32-2500致伸缩液位计]()

FMS系列多功能磁致伸缩液位计具有高分辨率、高精度、抗干扰和高可靠性等特点,安装简单方便,可适用于移动罐或固定储罐的液位测量应用。它具备同时[敏感词]测量液位、温度(选配)、压力(选配)的功能;并可以通过显示仪表(选配)直观显示各个监控参数;同时也可充当数据记录仪(选配相应模块),内置可存储5万条数据的存储器,几乎可以记录全年的罐内数据;此外,还可以通过WiFi模块(选配),建立WiFi连接手机APP轻松下载数据。您还可以通过GPS模块(选配)获取设备位置信息,并通过4G通讯模组将数据传输至您的云平台,以便可以更好帮助管理您的资产,使您的运营更
加透明和安全。
原理:在每个检测周期送一个“询问”脉冲,沿波导线向下传递,在波导线磁化点产生物理伸缩现象(扭曲力),形成一个回波,该波沿波导线向上传递。从发送“询问”脉冲到接收“返回”波的时间,即是距离的[敏感词]检测。
FMS60
磁致伸缩位移液位计
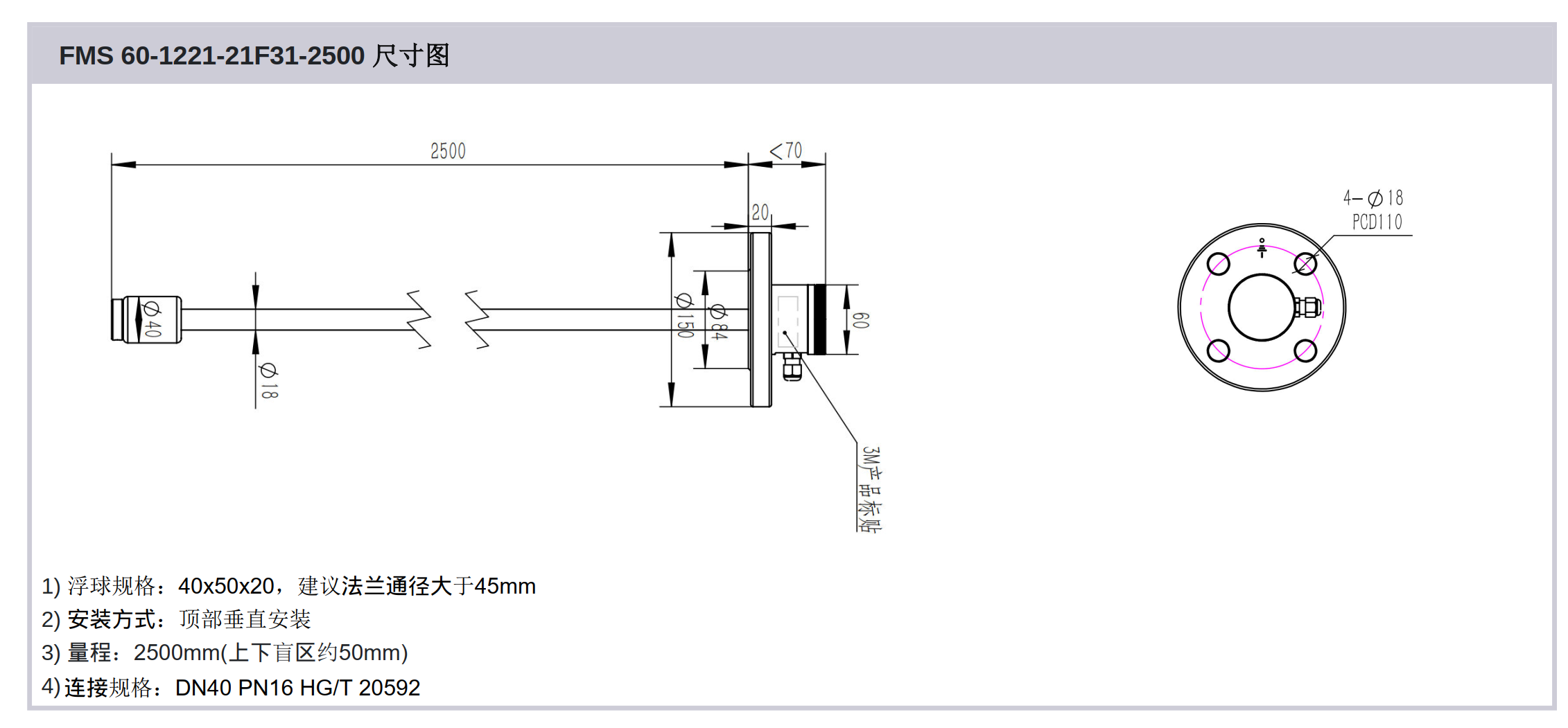
型号:FMS60-1221-21F32-2500
订货号:6016.5589.22
尺寸图

a 接口
E = 电流输出端4 ... 20 mA,2线制
R=RS485总线输出
b 工作电压
24 V DC( ±15%)
c 结构形式
卡箍、螺纹、法兰
d 功率
0.5W 功能安全性 MTTF (40 °C) 90 a 接口 接口 模拟,电流(两线制4-20mA) 机械参数 抗压强度,提示 当安装在压力容器内时
[敏感词]工作压力 10bar(标准) 25 bar(定制) 材质 保护管材料 不锈钢 (304,316,316L)
外壳材料 不锈钢 (304)
法兰材料 不锈钢 (304,316,316L)
电缆护套材料 PTFE/PVC/PE
耐火电缆(选配) IEC 60332-1 环境条件 环境温度 -40...85 °C
电缆温度,固定敷设 -40 °C ... 200 °C
相对空气湿度 ≤ 90 %,不凝结
防护等级 IP67 电气参数 在24 V直流时的[敏感词]耗电量 120 mA
工作电压Ub 24 VDC( ±15%) 电气连接
反极性保护 Ub [敏感词]36 V
短路保护 对地,对36 V DC
电气接口 M12填料函, 通径3-5mm
范围 / 距离
测量长度 50~2500 mm
重复精度 ± 2 mm 通用性参数
位置指示器,数量 (出厂设置) 1
位置指示器,[敏感词]数量 1 许可 一致性 订货说明
商业信息申明:本信息含有敏感的商业信息,对被授权人开放,未经本公司(FORTICO)书面许可,得向任何其他第三方透露该信息。另内容并非固定不变,公司保留更改的权利。